Skip to content Skip to sidebar Skip to footer

Chiller System Pdf

Schematic Of A Typical Chilled Water System Download Scientific Diagram

Schematic Of A Typical Chilled Water System Download Scientific Diagram

Chiller system pdf. Chilled-Water Systems Figure 2 absorption water chiller centrifugal water chiller Figure 3. Check Service Panels for Damage Confirm positive pressure on refrigerant pressure gauges. This greatly simplifies system control and keeps a ESL-IC-06-11-104.

Chillers provide a continuous flow of coolant to the cold side of a process water system at a desired temperature of about 50F 10C. Ad Trusted China Suppliers Verified by SGS. High Quality with Competitive Price.

Receiving Unloading Before signing the Bill of Lading please complete the following. To produce chilled water the refrigerant absorbs heat from the water and thus chilling the water to about 67C 44F. We should not compare an air-cooled chiller performance vs a water-cooled chiller performance oWe need to model the system and take all the users into account for a fair comparison o Chillers pumps cooling towers fans Chillers 70 Pumps 14 Fans 13 Power split water-cooled Chillers 97 Pumps 3 Power split air-cooled AC.

Pro Refrigeration Inc Chiller Systems This manual will guide you through the process of install - ing commissioning and maintaining your Pro Chiller System. The refrigeration circuit is the most technical part of how a chiller worksThe refrigeration cycle uses the principles of thermodynamics to efficiently move heat from one area to another. 4 From the Editor 5 Chiller Cooling System Industry News 10 Innovative MTA Free-Cooling Chiller Systems By Don Joyce MTA-USA 14 Glycol Tips for Water Chiller Operators By Katlyn Terburg Dimplex Thermal Solutions 16 Central Plant Optimization for Pepco Energy Services Chiller Plant By Tus Sasser The Tustin Group 21 Tobacco Producer Protects Chillers with.

System designers may get the most use from this manual by familiarizing themselves with chilled-water-system basics and understanding the benefits of various options. Of the heat-recovery chillers can be left off until a second chiller is required to satisfy the cooling load. With chilled water systems including variable flow pumping systems.

Typical Piping Design Concepts The most common piping strategies for HVAC systems are. Chiller Basics The chiller can be water cooled or air cooled. The ARI standard 550590-98 is used to test and rate chillers.

10 fTECHNICAL MANUAL Operation Entire System Water-cooled Chiller Systems Starting the system Ensure that the crankcase heater is always ON when the compressor is OFF. Single Chiller Loop Figure 1 shows a basic chiller loop with a water-cooled.

Chiller System Design And Control Applications Engineering Manual

Chiller System Design And Control Applications Engineering Manual

Chilled Water System Download Scientific Diagram

Chilled Water System Download Scientific Diagram

2

2

2

2

The Simplified Schematic Of Chilled Water System Download Scientific Diagram

The Simplified Schematic Of Chilled Water System Download Scientific Diagram

2

2

Pdf Chilled Water System Design Decisions Semantic Scholar

Pdf Chilled Water System Design Decisions Semantic Scholar

Download Chiller Plant Design Guide Free Pdf

Download Chiller Plant Design Guide Free Pdf

2

2

Chiller Plant Design Energy Models Com

Chiller Plant Design Energy Models Com

The Ultimate Guide To Industrial Chiller System Everything You Need To Know Industrial Water Chiller Manufacturer From China

The Ultimate Guide To Industrial Chiller System Everything You Need To Know Industrial Water Chiller Manufacturer From China

Chiller Lab Instrument Manufacturer

Chiller Lab Instrument Manufacturer

Vacuum Systems Closed Alkaline Loop Acl Cold Mixing Condensers Korting Hannover Gmbh

Vacuum Systems Closed Alkaline Loop Acl Cold Mixing Condensers Korting Hannover Gmbh

How A Chiller Cooling Tower And Air Handling Unit Work Together The Engineering Mindset

How A Chiller Cooling Tower And Air Handling Unit Work Together The Engineering Mindset

Pdf Chilled Water System Design Decisions Semantic Scholar

Pdf Chilled Water System Design Decisions Semantic Scholar

2

2

Sustainability Free Full Text Performance Analysis Of An Integrated Heat Pump With Air Conditioning System For The Existing Hospital Building Application Html

Sustainability Free Full Text Performance Analysis Of An Integrated Heat Pump With Air Conditioning System For The Existing Hospital Building Application Html

2

2

What Is Hvac System Hvac System Working Principle

What Is Hvac System Hvac System Working Principle

Chillers Unidade De Agua Gelada

Chillers Unidade De Agua Gelada

The Basics Of Chillers Hvac Investigators

The Basics Of Chillers Hvac Investigators

Download The Hvac Chiller Systems Handbook Pdf

Download The Hvac Chiller Systems Handbook Pdf

Catalogo Refrisat Industria De Plastico Chiller Unidade De Agua Ge

Catalogo Refrisat Industria De Plastico Chiller Unidade De Agua Ge

1

1

Sistemas Para Modificacao De Gorduras Alfa Laval

Sistemas Para Modificacao De Gorduras Alfa Laval

2

2

2

2

Portable Water Cooled And Air Cooled Chillers

Portable Water Cooled And Air Cooled Chillers

Schematic Of A Typical Chilled Water System Download Scientific Diagram

Schematic Of A Typical Chilled Water System Download Scientific Diagram

Absorption Chiller Pump

Absorption Chiller Pump

Electric Chiller An Overview Sciencedirect Topics

Electric Chiller An Overview Sciencedirect Topics

How Air Conditioners Work Chilled Water And Cooling Tower Ac Units Howstuffworks

How Air Conditioners Work Chilled Water And Cooling Tower Ac Units Howstuffworks

Plate Heat Exchanger Chiller Unit Moon Environment Technology Co Ltd Pdf Catalogs Technical Documentation Brochure

Plate Heat Exchanger Chiller Unit Moon Environment Technology Co Ltd Pdf Catalogs Technical Documentation Brochure

Air Cooled Chillers 3 To 400 Tons Frigel Solution

Air Cooled Chillers 3 To 400 Tons Frigel Solution

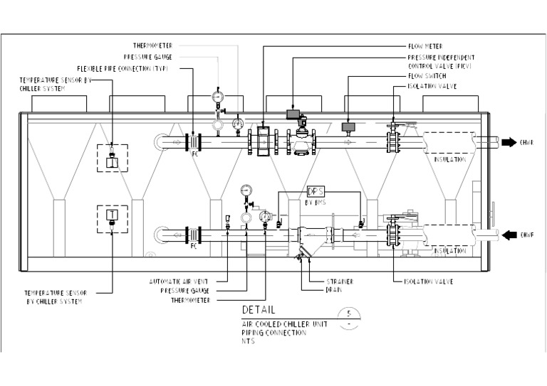
Air Cooled Chiller Installation Details Pdf

Air Cooled Chiller Installation Details Pdf

The Ultimate Guide To Chiller Systems Everything You Need To Know

The Ultimate Guide To Chiller Systems Everything You Need To Know

2

2

Chiller Wikipedia

Chiller Wikipedia

Chiller System Download Files Pdf Electrical Khmer Facebook

Chiller System Download Files Pdf Electrical Khmer Facebook

Trane Sys Apm001 En Users Manual 05 05 2009 Chiller System Design And Control

Trane Sys Apm001 En Users Manual 05 05 2009 Chiller System Design And Control

Pdf Chilled Water System Design Decisions Semantic Scholar

Pdf Chilled Water System Design Decisions Semantic Scholar

Dalkia Trane System Optimisation

Dalkia Trane System Optimisation

2

2

Download Pdf Riedel Cooling

Download Pdf Riedel Cooling

2

2

Troubleshooting Common Chiller Problems 2008 07 01 Process Cooling

Troubleshooting Common Chiller Problems 2008 07 01 Process Cooling

Products United Sterling Subsea

Products United Sterling Subsea

Download Hvac Chillers Installation Operation And Maintenance Manuals Pdf Manuals Fo Hvac Installation Refrigeration And Air Conditioning Hvac Maintenance

Download Hvac Chillers Installation Operation And Maintenance Manuals Pdf Manuals Fo Hvac Installation Refrigeration And Air Conditioning Hvac Maintenance

1

1

Ad Trusted China Suppliers Verified by SGS.

The refrigeration circuit is the most technical part of how a chiller worksThe refrigeration cycle uses the principles of thermodynamics to efficiently move heat from one area to another. Ad Trusted China Suppliers Verified by SGS. 22 Stonewall Court Woodcliff Lake NJ 07677 P. System designers may get the most use from this manual by familiarizing themselves with chilled-water-system basics and understanding the benefits of various options. This section will review each of the components. Chiller Manual Installation Operation Maintenance INTRODUCTION Turbo Refrigerating is a supplier of fluid chillers icemaking and ice storage equipment. Thereafter when a specific job will benefit from these advantages consult appropriate sections of the manual in detail. A chiller is made up of the 4 major components required for the refrigeration process which are. We should not compare an air-cooled chiller performance vs a water-cooled chiller performance oWe need to model the system and take all the users into account for a fair comparison o Chillers pumps cooling towers fans Chillers 70 Pumps 14 Fans 13 Power split water-cooled Chillers 97 Pumps 3 Power split air-cooled AC.


Not intended to be a complete chiller-system design manual. TURBO can provide assistance in locating qualified companies familiar with the. 22 Stonewall Court Woodcliff Lake NJ 07677 P. The ARI standard 550590-98 is used to test and rate chillers. 2 TRG-TRC016-EN notes period one Types of Water Chillers Water chillers using the vapor-compression refrigeration cycle vary by the type of compressor used. Check Service Panels for Damage Confirm positive pressure on refrigerant pressure gauges. Chiller system efficiency increases of 0155 kilowattston Power demand reduction of 287 kilowatts Annual kilowatt hour reduction of 2517361 Annual power savings of US176215 1.

Post a Comment for "Chiller System Pdf"